业界资讯

煤矿电工必用!井下维修电工理论考试题

2018-11-26

煤矿井下电工考试都需要知道哪些知识呢,又会考些什么内容呢,下面小编为您提供一份考试大纲供您参考使用。都包括填空题、选择题、判断题、问答题等!

一、填空题 (每空1分,共30分)

1、一般设备铭牌上标的电压和电流值, 或电气仪表所测出的数值都是指(有用值)。

2、井下电气设备在20米巷道内风流中瓦斯浓度不准超过( 1% ),否则严禁操作电气设备。

3、从**角度考虑,设备停电b须有一个明显的(断开点)。

4、防爆电气设备的密封圈内径不大于电缆外径(1)mm,外径与进线装置的内径差不大于(2)mm,宽度不小于电缆外径的(0.7)倍,厚度不小于电缆外径的(0.3)倍。

5、变压器在运行中,其总损耗是随负载的变化而变化的,其中(铁耗)是不变的,而(铜耗)是变化。

6、积极检举揭发、抵制和制止违章指挥、违章作业、违反劳动纪律者,给予(20--1000)元的奖励;检修电气设备未按规定装设禁令标志和设置短路接地者,给予(200--500)元的罚款。

7、三相异步电动机的转速取决于(磁场极对数 P)、(转差率 S)和(电源频率 f)。

8、三相绕组转子异步电动机用频敏变阻器起动,起动过程是其等效电阻的变化是从( 大 )变 ( 小 ),其电流变化是从( 小 )变到( 大 )。

9、电机绕组烘干常采用下列三种方法(烘房烘干法)、(灯泡烘干法)、(电流烘干法)。

10 、为使晶闸管能够可靠地触发,要求触发脉冲具有特定的( 幅度 )和( 宽度 ),尤其是带感性负载时,脉冲具有特定有( 宽度 )更为重要。 11 、在电气设备上工作,保证**的技术措施是( 停电 )、( 验电 )、( 装设接地线 )、悬挂标示牌及设置临时遮栏等。   12、在阻、容、感串联电路中,只有(电阻)是消耗电能,而(电感)和(电容)只是进行能量变换。

二、判断题(正确的打“√”,错误的打“×”,每空1分,共10分)

1、三相异步电动机转子的转速越低,电机的转差率越大,转子电动势频率越高。(√)

2、防爆电器出厂时涂的黄油是防止生锈的,使用时不应抹去。(×)

3、在交流电机的三相相同绕组中,通以三相相等电流,可以形成圆形旋转磁场。(×)

4、用万用表 R×1Ω档测试电解电容器,黑表笔接电容器正极,红表笔接负极,表针慢慢增大,若停在10kΩ,说明电容器是好的。(×)

5、要使三相异步电动机反转,只要改变定子绕组任意两相绕组的相序即可。 (√)

6、制动绳在制动器上一般缠绕3~5圈。(√)

7、Z流或交流耐压试验,因可能使被试物品的绝缘击穿,或虽未击穿却留下了隐患,故不应采用。(×)

8、装设电抗器的目的是:增大短路阻抗,限制短路电流,减小电压波动。(√)

9、变电所停电操作,在电路切断后的“验电”工作,可不填入操作票。(×)

10、一般来说,继电器的质量越好,接线越简单,所包含的接点数目越少,则保护装置的动作越可靠。(√)

三、选择题(每题1分,共20分)

1、电力变压器的油起( A )作用。

A、绝缘和灭弧 B、绝缘和防锈 C、绝缘和散热

2、电力电缆不得过负荷运行,在事故情况下,10kV以下电缆只允许连续( C )运行。

A、1h过负荷 35 % B、1.5h过负荷 20 % C、2h过负荷 15 %

3.负载三角形接线时的电压( A )。

A、线电压与相电压相等。即:V线=V相

B、线电压等于倍相电压,即:V线=V相

4、接地网上任一保护接地点测得的电阻不得超过( B )Ω。

A、1;B、2;C、3

5、隔爆型电气设备的防爆原理是( A )。

A、具有隔爆性和耐爆性;B、具有隔爆性能和不传爆性能;C、具耐爆性能和不传爆性能。

6、弹性联轴器端面间隙应为( A )。

A、设备的Z大窜量 B、5mm C、7mm D、10mm

7、划针是用弹簧钢丝或高速制成的,Z径一般为φ3~5mm,尖端磨成( A )的锥角,并经淬火使之硬化。 A、15°~20°;B、25°~30°;C、15°~35°;D、25°~30°。8、改变Z流电动机励磁绕组的极性是为了改变( D )。

A、电压的大小 B、 电流的大小C、 磁场方向 D、电动机转向

9、低频信号发生器是用来产生( D )信号的信号源。

A、标准方波 B、标准Z流 C、标准高频正弦 D、标准低频正弦

10、Y接法的三相异步电动机,在空载运行时,若定子一相绕组突然断路,则电机( B )。

A、必然会停止转动 B、有可能连续运行 C、肯定会继续运行

11、万用表的转换开关是实现( A )。

A、各种测量种类及量程的开关 B、万用表电流接通的开关 C、接通被测物的测量开关

12、两只阻值相同的电阻串联后,其阻值( B )。A、等于两只电阻阻值的乘积; B、等于两只电阻阻值的和;

C、等于两只电阻阻值之和的1/2; D、等于其中一只电阻阻值的一半。

13、Z流电动机电枢回路串电阻调速,当电枢回路电阻增大,其转速( B )。

A、升高 B、降低 C、不变 D、可能升高或降低

14、频敏变阻器主要用于( D )控制。

A、笼形转子异步电动机的起动

B、绕线转子异步电动机的调整

C、Z流电动机的起动

D、绕线转子异步电动机的起动

15、正弦交流电的三要素( B )。A、电压、电动势、电能;

B、Z大值、频率、初相角;

C、Z大值、有用值、瞬时值;

D、有用值、周期、初始值。16、开关三极管一般的工作状态是( D )。

A、截止 B、放大 C、饱和 D、截止和饱和

17、齿面点蚀多半发生在( C )。

A、齿顶附近 B、齿根附近 C、节点附近 D、基圆附近

18、为了提高设备的功率因数,常在感性负载的两端( B )。

A、串联电容器

B、并联适当的电容器

C、串联电感

D、并联适当的电感

19、晶闸管具有( B )。

A、单向导电性

B、可控单向导电性

C、电流放大功能

D、负阻效应

20、连接装置、插销的磨损不得超过原尺寸的( B )。

A、10% B、15% C、20%

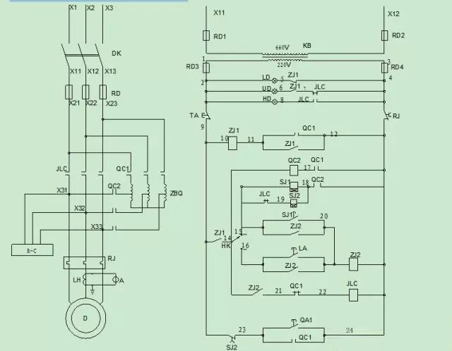
四、分析下面的水泵电控图,请叙述其工作原理。(10分)

 

煤矿电工考试试题

 

要求:只写出自动控制档位时,水泵的启动、正常工作、停止过程电路的工作原理,并说明指示灯变化,各保护作用。

答:DK是隔离刀闸,水泵启动前b须合闸,方便检修时用;

RD、RD1、RD2、RD3、RD4是熔断器,起短路保护作用;

RJ是过载(过流)保护,热继电器动作,主接触器JLC跳闸,水泵停止;

LH是电流互感器与A(电流表)构成指示电机一相的工作电流;

KB是二次线路电源控制变压器,为二次回路提供电源。

LD、UD、HD是指示灯,启动前,绿色灯LD亮;启动过程中,黄灯UD亮;正常运行状态时,红灯HD亮。

JLC为控制柜的主接触器,水泵启动进入正常时投入运行。

ZJ1、ZJ2为中间继电器,SJ1、SJ2为时间继电器,QA1是启动按钮,TA为停止按钮,QC1、QC2接触器在自耦变压器降压启动时切换之用。

HK是转换开关,分自动档和手动档,自动档是水泵正常启动时用,手动档是试空板时按LA启动按钮,让主接触器动作。

工作原理:

1、开车前,合上DK刀闸,转换开关在自动档(如图)。

2、按启动按钮QA1,QC1线圈通电,其常开触点闭合,常闭触点打开,即:23~24连通(QC1自保),12~17连通(为接通QC2线圈作准备),21~22断开(与JLC 闭锁),11~12连通。从而,ZJ1线圈通电,该回路中与QC1并联的常开触点ZJ1闭合而自保。另一常开触点闭合,接通QC2线圈。指示灯的绿灯LD熄灭,黄灯UD亮。QC2接触器器动作后,电机开始运行,同时接通SJ1、SJ2。在SJ1常开触点延时闭合后,ZJ2线圈通电,导致QC1、QC2线圈断电,主接触器线圈通电,主触头闭合时水泵进入正常工作状态,其辅助触点常开闭合、常闭打开,红灯HD亮,黄灯UD熄灭。

3、停止水泵时,按停止按钮TA,ZJ1线圈断电,JLC线圈停电,水泵停止工作。

4、在过载(过流)情况下,热继电器RJ动作,其常闭触点打开,引起主接触器JLC线圈断电,水泵停止工作。

5、SJ2是为了防止ZJ2线圈烧毁后,QC1、QC2线圈始终带电不能切除,自耦变压器长时间工作,导致自耦变压器烧毁。因此,通过整定SJ2的延时时间来保护自耦变压器不被烧毁。

五、问答题(共20分)

1、在异步电动机运行维护工作中应注意些什么?(5分)

答:①、电动机周围应保持清洁;②、用仪表检查电源电压和电流的变化情况,一般电动机允许电压波动为定电压的± 5% ,三相电压之差不得大于 5% ,各相电流不平衡值不得超过 10% 并要注意判断是否缺相运行;③、定期检查电动机的温升,常用温度计测量温升,应注意温升不得超过Z大允许值;④、监听轴承有无异常杂音,密封要良好,并要定期更换润滑油,其换油周期,一般滑动轴承为 1000 小时,滚动轴承 500 小时;⑤、注意电动机音响、气味、振动情况及传动装置情况。正常运行时,电动机应音响均匀,无杂音和t殊叫声。

3、漏电保护装置的作用是什么?(5分)

答:可以通过漏电保护装置上的欧姆表连续监视电网对地的绝缘状态,以便进行防止性检修;当电网对地绝缘电阻降低到危险程度,人身触及带电导体或电网一相接地时,漏电保护装置动作,通过电源馈电开关自动切断电源,以防止事故扩大;可以补偿人体触电和一相接地时的容性电流,以降低人体触电的危险性,减少接地或触电电流的危害。

2、《煤矿**规程》规定操作井下电气设备应遵守的规定(5分)

①非专职人员或非值班电气人员不得擅自操作电气设备。

②手持式电气设备的操作手柄和工作中b须接触的部分b须有良好绝缘。

③操作高压电气设备主回路时,操作人员b须戴绝缘手套,并穿电工绝缘靴或站在绝缘台上。

4、为什么采用双臂电桥测量小电阻准确较高?(5分)

答:因为双臂电桥是将寄生电阻,并入误差项,并使误差项等于零,因而对电桥的平衡不因这部分寄生电阻大小而受到影响,从而提高了电桥测量的准确性。

六、计算题(5分)

1、求下图中消耗在6Ω电阻上功率是多少?